AD30-4T18DH/022L

Преобразователь частоты, 3х380В, 18.5/22кВт, 37/45А, IP20, фильтр ЭМС, встр. торм. ключ, AD30-4T18DH/022L AD30-4T18DH/022L

Цена AD30-4T18DH/022L (за единицу с НДС) - 510 у.е.

Цены указаны в у.е. (с НДС). Точные цены в рублях можно уточнить у наших менеджеров. Не является публичной офертой

Основные функции и характеристики
  • Монтаж «сторона к стороне»
  • Векторный / скалярный режимы управления
  • Управление моментом / скоростью
  • Пожарный режим
  • Встроенный ПИД-регулятор со спящим режимом
  • Функция качания частоты (вобуляция)
  • Нормальный / легкий режимы
  • Удобный монтаж на DIN-рейку до второго типоразмера включительно
  • Встроенный интерфейс RS485 / Modbus
  • Встроенный дискретный потенциометр
  • Опциональный выносной пульт с возможностью копирования параметров
  • Встроенный тормозной модуль
  • Встроенный фильтр ЭМС
  • 3 года гарантии

Документация

Технические характеристики модели AD30-4T18DH/022L
Характеристика Значение
Напряжение питания, В 3x380~440
Подключаемые двигатели Асинхронные
Номинальная мощность двигателя, кВт 18.5 / 22
Номинальный выходной ток, A 37 / 45
Максимальная выходная частота, Гц 1200
Перегрузочная способность HD: 150% 60 сек, 180% 5 сек
LD: 120% 60 сек, 150% 5 сек
Максимальный ток двигателя (в течение 1 мин) 54 / 55.5
Дискретные входы, шт. 5 (NPN/PNP)
Дискретные выходы типа открытый коллектор, шт. 1
Релейные выходы 1 перекл.
Аналоговые входы, шт. 1 х 0-10В/4-20мА
Аналоговые выходы, шт. 1 х 0-10В/4-20мА
Интерфейс RS-485 Встроенный, протокол Modbus RTU
Режимы управления Скалярный (V/F),
Векторный без ОС (SVC)
Встроенный тормозной модуль Да
Возможность подключения плат расширения Нет
Возможность подключения энкодера/резольвера Нет
Опциональные протоколы связи Нет
Фильтр ЭМС Встроенный
Класс защиты IP20
Рабочая температура -10 ~ 50°C,
от 40 ºС – снижение номинальных характеристик
Монтаж на DIN-рейку Нет
Вынос пульта управления Опциональный пульт, подключение через патч-корд, длина до 10 м
Габариты, мм 210х318х200
Масса нетто, кг 6.5

Габариты AD30-4T18DH/022L

Скачать чертеж .pdf
Скачать чертеж .dwg
Скачать 3D-Модель.STEP

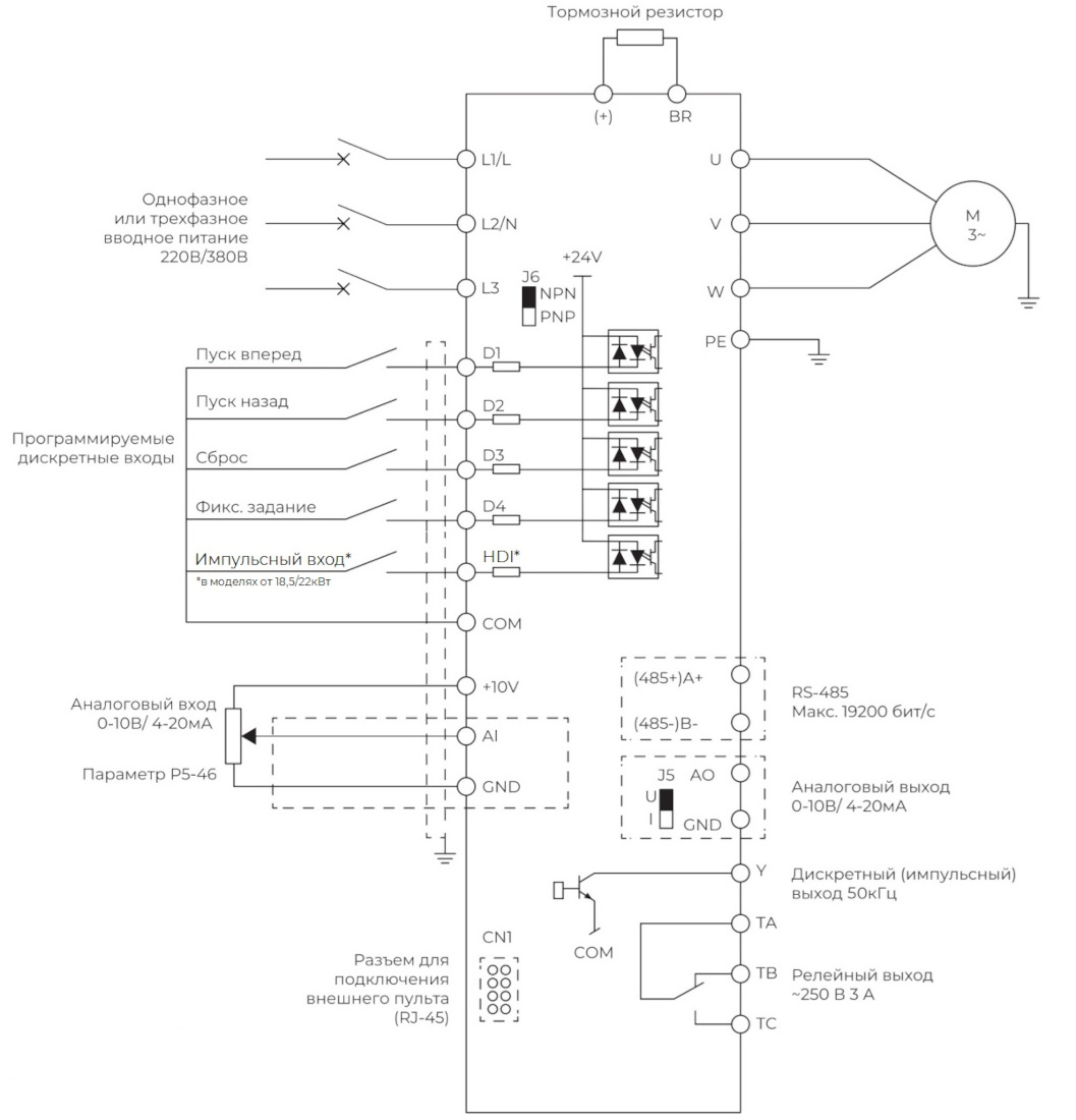
Схема подключения

Периферийные устройства

Встроенный тормозной модуль
Тормозной резистор RXLG1KW50RJ, 2 параллельно
Сетевой дроссель YBACL-50A-EISA-0.28mH
РЧ фильтр RFI4C50N16
Моторный дроссель YBOCL-50A-EISA-0.14mH
Синус-фильтр SFR-0050-1M20-0.4SC

Программное обеспечение

Настройка преобразователя значительно упрощается с помощью программы Optimus Drive AD30 Soft. Она позволяет управлять ПЧ прямо с компьютера. С ее помощью вы можете:

  • Удобно настраивать параметры с ПК
  • Сохранять все настройки в файл для создания резервных копий
  • Быстро копировать конфигурации и переносить их между несколькими преобразователями
  • Вести мониторинг параметров в реальном времени


Комплектация
  • Преобразователь частоты
  • Краткое руководство по эксплуатации

Связанные продукты

Каталог продукции
Архив продукции