AD80-2S2D2-2

Преобразователь частоты, 1х220В, 2.2кВт, 9.2А, IP20, ЭМС С3, встр. торм. ключ AD80-2S2D2-2

Цена AD80-2S2D2-2 (за единицу с НДС) - 142.4 у.е.

Цены указаны в у.е. (с НДС). Точные цены в рублях можно уточнить у наших менеджеров. Не является публичной офертой

Основные функции и характеристики
  • Регулирование скорости асинхронных и синхронных двигателей с постоянными магнитами (СДПМ)
  • Перегрузочная способность 150% в течение 60 сек
  • Регулирование момента асинхронных двигателей
  • Поддержание регулируемого параметра (давления, температуры)
  • Торможение постоянным током
  • Векторный и скалярный режимы работы
  • Защита двигателя
  • Встроенный тормозной модуль до 30 кВт включительно
  • Съемный пульт с возможностью выноса
  • Дискретный потенциометр задания на пульте
  • Защитное покрытие плат 3C3
  • Встроенный фильтр ЭМС стандарта С3
  • Гарантия 3 года

Документация

Технические характеристики модели AD80-2S2D2-2
Характеристика Значение
Напряжение питания, В 1x200~240
Подключаемые двигатели Асинхронные, СДПМ
Номинальная мощность двигателя, кВт 2.2
Номинальный выходной ток, A 9.2
Максимальная выходная частота, Гц 590
Перегрузочная способность 150% 60 сек, 180% 3 сек
Максимальный ток двигателя (в течение 1 мин) 13.8
Дискретные входы, шт. 5 (NPN/PNP)
Дискретные выходы типа открытый коллектор, шт. 1
Релейные выходы 1 перекл.
Аналоговые входы, шт. 2 х 0-10В/4-20мА
Аналоговые выходы, шт. 1 х 0-10В/4-20мА
Интерфейс RS-485 Встроенный, протокол Modbus RTU
Режимы управления Скалярный (V/F), векторный без ОС (SVC)
Встроенный тормозной модуль Да
Возможность подключения плат расширения Нет
Возможность подключения энкодера/резольвера Нет
Опциональные протоколы связи Нет
Фильтр ЭМС Встроенный, класс C3
Класс защиты IP20
Рабочая температура -10 ~ 45°C, от 40°С – снижение номинальных характеристик
Монтаж на DIN-рейку Нет
Вынос пульта управления Да, подключение через патч-корд, длина до 5 м
Габариты, мм 82x185x163
Масса нетто, кг 1.47

Примечание: перечисленные характеристики актуальны для версии прошивки от V0.45

Габариты и вес AD80-2S2D2-2

Скачать чертеж .pdf
Скачать чертеж .dwg
Скачать 3D-Модель.STEP

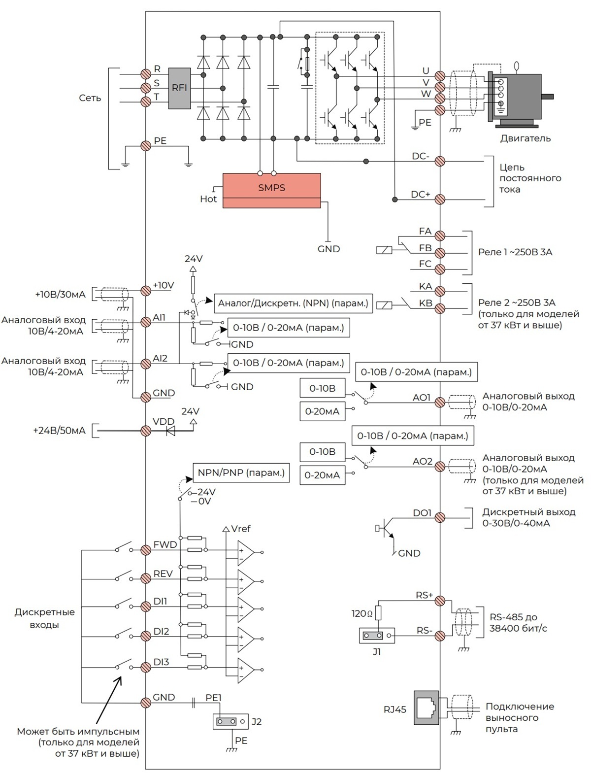
Схема подключения

Периферийные устройства

Встроенный тормозной модуль
Тормозной резистор (ПВ10%) RXLG300W100RJ, 2 параллельно
Моторный дроссель YBOCL-15A-EISA-0.467mH
Синус-фильтр SFR-0010-6M00-0.4SC
Ферритовые кольца T68x44x13.5C GH5

Программное обеспечение

Настройка преобразователя значительно упрощаются с помощью программы ABC Drive Studio. Она позволяет управлять ПЧ прямо с компьютера. С ее помощью вы можете:

  • Удобно настраивать параметры с ПК
  • Сохранять все настройки в файл для создания резервных копий
  • Быстро копировать конфигурации и переносить их между несколькими преобразователями
  • Просматривать журнал аварий и предупреждений с расшифровками
  • Вести мониторинг в реальном времени, строить графики и архивировать данные одновременно по 10 параметрам


Комплектация
  • Преобразователь частоты
  • Краткое руководство по эксплуатации

Связанные продукты

Каталог продукции
Архив продукции