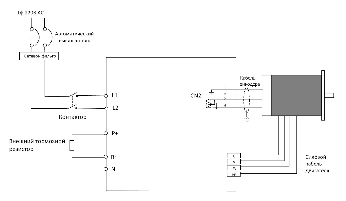
OSD-H-2SD40-P, 1х220В, 0,4кВт, Сервоусилитель, 3,5А, импульсное и аналоговое задание OSD-H-2SD40-P
Цена OSD-H-2SD40-P (за единицу с НДС) - 409 у.е.
Цены указаны в у.е. (с НДС). Точные цены в рублях можно уточнить у наших менеджеров. Не является публичной офертой
Сервоусилители серии OSD-H позволяют осуществлять управления движением для различных применений. Сервоусилитель обеспечивает высокую точность и повторяемость позиционирования, а также стабильное поддержание заданной скорости или момента на валу, что может быть использовано в различных ответственных применениях. Сервоусилители серии OSD-H поддерживают управление внешними аналоговыми сигналами, внутренним фиксированным регистрам или посредством коммуникационного протокола Modbus RTU. Система управления сервоусилителя также имеет ряд специальный прикладных функций:
Настройка привода осуществляется интуитивно понятным программным обеспечением с возможностью подключения через встроенный порт USB-C, при этом чтение и редактирование параметров возможно без подачи основного питания привода.
| Тип двигателя | 0,1 кВт | 0,2 кВт | 0,4 кВт |
| Без тормоза, энкодер 21-бит | OSM-040101C-2NL310-M1 | OSM-060201C-2NL310-M1 | OSM-060401C-2NL310-M1 |
| Без тормоза, энкодер 23-бит | OSM-040101C-2NM310-M2 | OSM-060201C-2NM310-M2 | OSM-060401C-2NM310-M2 |
| С тормозом, энкодер 21-бит | OSM-040101C-2BL310-M1 | OSM-060201C-2BL310-M1 | OSM-060401C-2BL310-M1 |
| С тормозом, энкодер 23-бит | OSM-040101C-2BM310-M2 | OSM-060201C-2BM310-M2 | OSM-060401C-2BM310-M2 |
Тормозной резистор RXLG300W70RJ
РЧ фильтр RFD2B10N01
Ферритовые кольца T68x44x13.5C GH5
| Характеристика | Значение |
| Напряжение питания, В | 220 |
| Номинальная мощность (для двигателей до), кВт | 0.4 |
| Номинальный выходной ток, A | 3.5 |
| Пиковый выходной ток, A | 9.5 |
| Управление по позиции | Внешний импульсный сигнал, внутренние регистры, по протоколу Modbus RTU |
| Управление по скорости | Внешний аналоговый сигнал, внутренние регистры, по протоколу Modbus RTU |
| Управление по моменту | Внешний аналоговый сигнал, внутренние регистры, по протоколу Modbus RTU |
| Аналоговый вход | 2 аналоговых входа (AI1/AI2),-10В~+10В, Максимальное напряжение: ±12В, разрешение АЦП – 12 бит |
| Аналоговый выход | 1 аналоговый выход (AO1), -10В~+10В |
| Дискретные входы | 8 дискретных входов (поддерживают оба типа NPN/PNP подключения) DI1~DI8 |
| Дискретные выходы | 5 дискретных выходов (поддерживают оба типа NPN/PNP подключения) DO1~DO5 |
| Коммуникационный порт | Интерфейс связи RS485, протокол Modbus RTU (Порт RJ45) |
| Масса нетто | 0.9 |
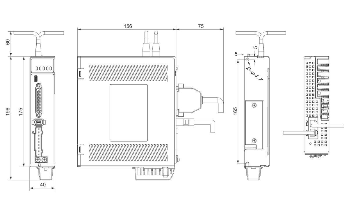
| Габариты, мм | 175х156х40 |
Скачать чертеж .pdf
Скачать чертеж .svg
Скачать 3D-Модель.STEP
| Функционал | Пин | Сигнал | Наименование | Описание |
| Управление по позиции | 41 | PULSE+ | Стандартный импульсный вход задания | Режим задания стандартным импульсным входом: ● Дифференциальный (5 В) ● Открытый коллектор (24 В) Режим задания команды и направления стандартного импульсного входа: PULSE+ и PULSE-: 5 В дифференциальный (500 кГц) SIGN+ и SIGN-: 5 В дифференциальный (500 кГц) PULLHI и PULSE-: 24 В открытый коллектор (200 кГц) PULLHI и SIGN- :24 В открытый коллектор (200 кГц) |
| 43 | PULSE- | Стандартный импульсный вход задания | ||
| 37 | SIGN+ | Стандартный импульсный вход направления | ||
| 39 | SIGN- | Стандартный импульсный вход направления | ||
| 35 | PULLHI | Общий вход открытый коллектор 24 В. | ||
| 38 | HPULSE+ | Высокоскоростной импульсный вход задания | Режим задания стандартным импульсным входом: ● Дифференциальный (5 В) HPULSE+ и HPULSE-: до 4 МГц: высокоскоростной импульс задания HSIGN+ и HSIGN-: до 4 МГц: высокоскоростной импульс направления |
|
| 36 | HPULSE- | Высокоскоростной импульсный вход задания | ||
| 42 | HSIGN+ | Высокоскоростной импульсный вход направления | ||
| 40 | HSIGN- | Высокоскоростной импульсный вход направления | ||
| Общие | 17 | +24V | Внутренний источник питания DC 24В | Внутренний источник питания DC 24В Напряжение 20~28 В. Максимальный выходной ток 200 мА |
| 14 | COM- | |||
| Дискретные входные и выходные сигналы | 11 | COM+ | Общая клемма DI | Общая DI |
| 9 | DI1 | POT | По умолчанию: Запрет движения в положительном направлении | |
| 10 | DI2 | NOT | По умолчанию: Запрет движения в отрицательном направлении | |
| 34 | DI3 | INH | По умолчанию: Блокировка командных импульсов | |
| 8 | DI4 | A-CLR | По умолчанию: Сброс аварии | |
| 33 | DI5 | SRV-ON | По умолчанию: Вход активации сервопривода (Servo ON) | |
| 32 | DI6 | Дискретный вход | - | |
| 12 | DI7 | Дискретный вход | - | |
| 30 | DI8 | HOME-Switch | По умолчанию: Датчик домашнего (исходного) положения | |
| 7 | DO1+ | SRDY+ | По умолчанию: Сигнал готовности сервоусилителя | |
| 6 | DO1- | SRDY- | ||
| 5 | DO2+ | INP1+ | По умолчанию: Сигнал завершения позиционирования | |
| 4 | DO2- | INP1- | ||
| 3 | DO3+ | BRK-OFF+ | По умолчанию: Сигнал открытия стояночного тормоза | |
| 2 | DO3- | BRK-OFF- | ||
| 1 | DO4+ | ALARM+ | По умолчанию: Сигнал при возникновении аварии сервоусилителя | |
| 26 | DO4- | ALARM- | ||
| 28 | DO5+ | HOME-OK+ | По умолчанию: Сигнал завершения выхода в домашнюю позицию | |
| 27 | DO5- | HOME-OK- | ||
| Аналоговые входы и выход | 20 | AI1 | AI1 | Задание или лимит по скорости (0~±10 В) |
| 18 | AI2 | AI2 | Задание или лимит по моменту (0~+10 В) | |
| 31 | AO1 | AO1 | Аналоговый выход для мониторинга параметров | |
| 19 | GND | GND | Общая клемма 0В аналоговых сигналов | |
| Импульсные выходы для трансляции сигнала энкодера | 21 | A+ | Трансляция сигнала энкодера, фаза А | Дифференциальный импульсный выход для трансляции фаз A и B сигнала энкодра |
| 22 | A- | |||
| 25 | B+ | Трансляция сигнала энкодера, фаза B | ||
| 23 | B- | |||
| 13 | Z+ | Трансляция сигнала энкодера, фаза Z | Дифференциальный импульсный выход для трансляции фазы Z сигнала энкодра | |
| 24 | Z- | |||
| 44 | OCZ | Выход с открытым коллектором фазы Z | Канал выхода фазы Z (Открытый коллектор) | |
| 29 | GND | 0В сигнала выхода с открытым коллектором фазы Z | ||
| Общее | 15 | +5V | Внутренний источник питания 5В | Внутренний источник питания 5В Максимальный выходной ток 200 мА |
| 16 | GND | |||
| Корпус | FG | Заземление |
Последние новости