OSD-H-4T1D5-P

OSD-H-4T1D5-P, 3х400В, 1,5кВт, Сервоусилитель, 5,4А, импульсное и аналоговое задание OSD-H-4T1D5-P

Цена OSD-H-4T1D5-P (за единицу с НДС) - 576 у.е.

Цены указаны в у.е. (с НДС). Точные цены в рублях можно уточнить у наших менеджеров. Не является публичной офертой

Сервоусилители серии OSD-H позволяют осуществлять управления движением для различных применений. Сервоусилитель обеспечивает высокую точность и повторяемость позиционирования, а также стабильное поддержание заданной скорости или момента на валу, что может быть использовано в различных ответственных применениях. Сервоусилители серии OSD-H поддерживают управление внешними аналоговыми сигналами, внутренним фиксированным регистрам или посредством коммуникационного протокола Modbus RTU. Система управления сервоусилителя также имеет ряд специальный прикладных функций:

  • работа с высокоскоростными входами для чтения меток и записи или сравнения позиции в реальном времени
  • широкими возможностями настройки контуров регулирования привода
  • Функционал подавлением вибраций и режекторные фильтры.

Настройка привода осуществляется интуитивно понятным программным обеспечением с возможностью подключения через встроенный порт USB-C, при этом чтение и редактирование параметров возможно без подачи основного питания привода.

Совместимые серводвигатели
Тип двигателя
Без тормоза, энкодер 21-бит OSM-130132H-3NLA10-M2
С тормозом, энкодер 21-бит OSM-130132H-3BLA10-M2

Аксессуары

Тормозной резистор RXLG500W100RJ

РЧ фильтр RFI4C10N6

Ферритовые кольца T68x44x13.5C GH5

Таблица параметров модели OSD-H-4T1D5-P
Характеристика Значение
Силовые характеристики
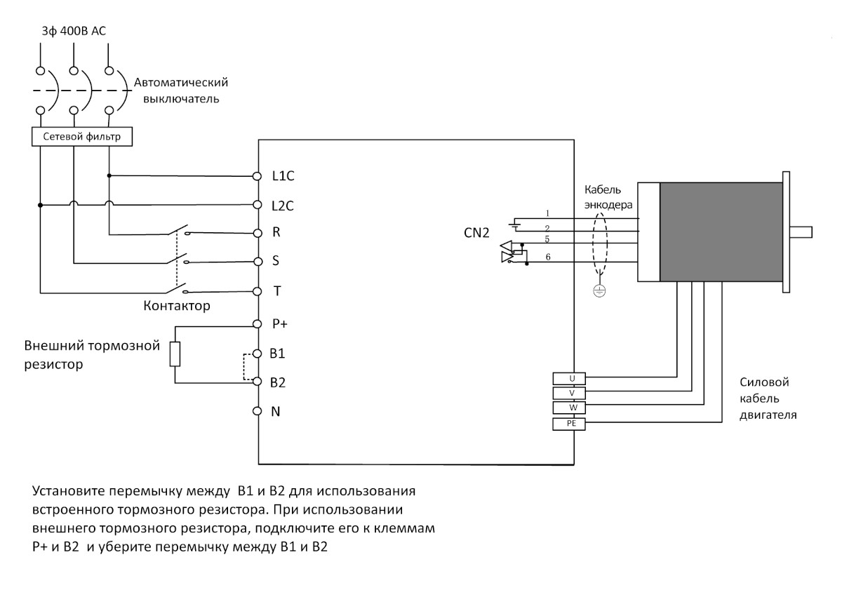
Напряжение питания, В 380
Номинальная мощность (для двигателей до), кВт 1.5
Номинальный выходной ток, A 5.4
Пиковый выходной ток, A 14.9
Тип управления
Управление по позиции Внешний импульсный сигнал, внутренние регистры, по протоколу Modbus RTU
Управление по скорости Внешний аналоговый сигнал, внутренние регистры, по протоколу Modbus RTU
Управление по моменту Внешний аналоговый сигнал, внутренние регистры, по протоколу Modbus RTU
Входные и выходные сигналы
Аналоговый вход 2 аналоговых входа (AI1/AI2),-10В~+10В, Максимальное напряжение: ±12В, разрешение АЦП – 12 бит
Аналоговый выход 1 аналоговый выход (AO1), -10В~+10В
Дискретные входы 8 дискретных входов (поддерживают оба типа NPN/PNP подключения) DI1~DI8
Дискретные выходы 5 дискретных выходов (поддерживают оба типа NPN/PNP подключения) DO1~DO5
Коммуникационный порт Интерфейс связи RS485, протокол Modbus RTU (Порт RJ45)
Габариты и масса
Масса нетто 1.3
Габариты, мм 175x179x55

Габаритный чертеж OSD-H-4T1D5-P

Скачать чертеж .pdf
Скачать чертеж .svg
Скачать 3D-Модель.STEP

Схема подключения силовая
Схема подключения сигналов
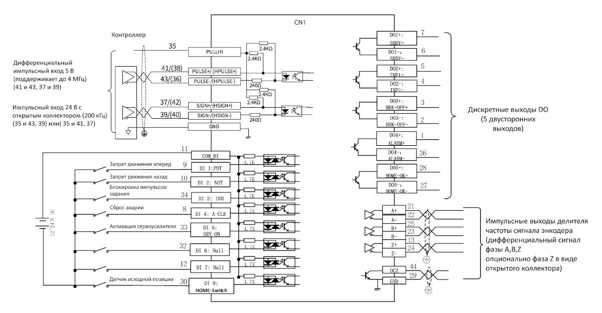
Управление по положению
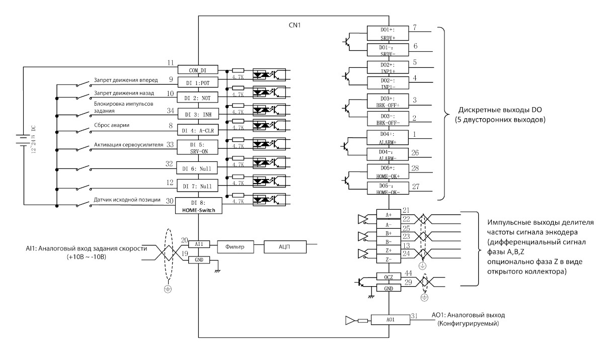
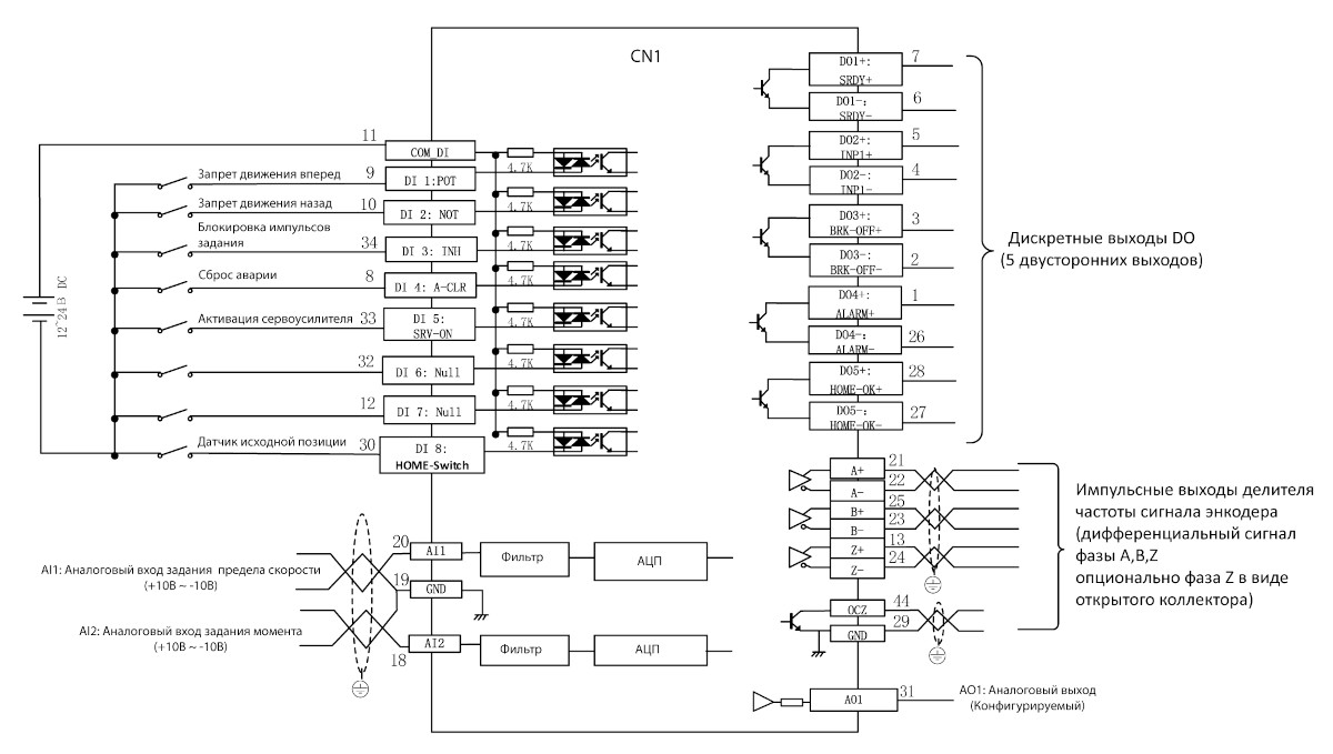
Управление по скорости
Управление по крутящему моменту
Распиновка разъема CN1
Функционал Пин Сигнал Наименование Описание
Управление по позиции 41 PULSE+ Стандартный импульсный вход задания Режим задания стандартным импульсным входом:
● Дифференциальный (5 В)
● Открытый коллектор (24 В)
Режим задания команды и направления стандартного импульсного входа:
PULSE+ и PULSE-: 5 В дифференциальный (500 кГц)
SIGN+ и SIGN-: 5 В дифференциальный (500 кГц)
PULLHI и PULSE-: 24 В открытый коллектор (200 кГц)
PULLHI и SIGN- :24 В открытый коллектор (200 кГц)
43 PULSE- Стандартный импульсный вход задания
37 SIGN+ Стандартный импульсный вход направления
39 SIGN- Стандартный импульсный вход направления
35 PULLHI Общий вход открытый коллектор 24 В.
38 HPULSE+ Высокоскоростной импульсный вход задания Режим задания стандартным импульсным входом:
● Дифференциальный (5 В)
HPULSE+ и HPULSE-: до 4 МГц: высокоскоростной импульс задания
HSIGN+ и HSIGN-: до 4 МГц: высокоскоростной импульс направления
36 HPULSE- Высокоскоростной импульсный вход задания
42 HSIGN+ Высокоскоростной импульсный вход направления
40 HSIGN- Высокоскоростной импульсный вход направления
Общие 17 +24V Внутренний источник питания DC 24В Внутренний источник питания DC 24В Напряжение 20~28 В. Максимальный выходной ток 200 мА
14 COM-
Дискретные входные и выходные сигналы 11 COM+ Общая клемма DI Общая DI
9 DI1 POT По умолчанию: Запрет движения в положительном направлении
10 DI2 NOT По умолчанию: Запрет движения в отрицательном направлении
34 DI3 INH По умолчанию: Блокировка командных импульсов
8 DI4 A-CLR По умолчанию: Сброс аварии
33 DI5 SRV-ON По умолчанию: Вход активации сервопривода (Servo ON)
32 DI6 Дискретный вход -
12 DI7 Дискретный вход -
30 DI8 HOME-Switch По умолчанию: Датчик домашнего (исходного) положения
7 DO1+ SRDY+ По умолчанию: Сигнал готовности сервоусилителя
6 DO1- SRDY-
5 DO2+ INP1+ По умолчанию: Сигнал завершения позиционирования
4 DO2- INP1-
3 DO3+ BRK-OFF+ По умолчанию: Сигнал открытия стояночного тормоза
2 DO3- BRK-OFF-
1 DO4+ ALARM+ По умолчанию: Сигнал при возникновении аварии сервоусилителя
26 DO4- ALARM-
28 DO5+ HOME-OK+ По умолчанию: Сигнал завершения выхода в домашнюю позицию
27 DO5- HOME-OK-
Аналоговые входы и выход 20 AI1 AI1 Задание или лимит по скорости (0~±10 В)
18 AI2 AI2 Задание или лимит по моменту (0~+10 В)
31 AO1 AO1 Аналоговый выход для мониторинга параметров
19 GND GND Общая клемма 0В аналоговых сигналов
Импульсные выходы для трансляции сигнала энкодера 21 A+ Трансляция сигнала энкодера, фаза А Дифференциальный импульсный выход для трансляции фаз A и B сигнала энкодра
22 A-
25 B+ Трансляция сигнала энкодера, фаза B
23 B-
13 Z+ Трансляция сигнала энкодера, фаза Z Дифференциальный импульсный выход для трансляции фазы Z сигнала энкодра
24 Z-
44 OCZ Выход с открытым коллектором фазы Z Канал выхода фазы Z (Открытый коллектор)
29 GND 0В сигнала выхода с открытым коллектором фазы Z
Общее 15 +5V Внутренний источник питания 5В Внутренний источник питания 5В Максимальный выходной ток 200 мА
16 GND
Корпус FG Заземление

Связанные продукты

Каталог продукции
Архив продукции