OSD-H-4T7D5-E

OSD-H-4T7D5-E, 3х400В, 7,5кВт, Сервоусилитель, 25,7А, EtherCAT, STO OSD-H-4T7D5-E

Цена OSD-H-4T7D5-E (за единицу с НДС) - 1509 у.е.

Цены указаны в у.е. (с НДС). Точные цены в рублях можно уточнить у наших менеджеров. Не является публичной офертой

Сервоусилители серии OSD-H позволяют осуществлять управления движением для различных применений. Сервоусилитель обеспечивает высокую точность и повторяемость позиционирования, а также стабильное поддержание заданной скорости или момента на валу, что может быть использовано в различных ответственных применениях. Сервоусилители серии OSD-H поддерживают управление посредством коммуникационного протокола EtherCAT. Имеет на борту вход STO для подключения к системам промышленной безопасности, чтобы обеспечивать отключение генерации напряжения на аппаратном уровне. Так же сервоусилитель серии OSD-H-*-E имеет на борту импульсные выходы для передачи текущих показаний энкодера в виде дифференциального импульсного сигнала 5В с фазами A,B,Z. Система управления сервоусилителя также имеет ряд специальный прикладных функций:

  • Работа с высокоскоростными входами для чтения меток и записи или сравнения позиции в реальном времени
  • Широкими возможностями настройки контуров регулирования привода
  • Функционал подавлением вибраций и режекторные фильтры.

Настройка привода осуществляется интуитивно понятным программным обеспечением с возможностью подключения через встроенный порт USB-C, при этом чтение и редактирование параметров возможно без подачи основного питания привода.

Совместимые серводвигатели
Тип двигателя
Без тормоза, энкодер 23-бит OSM-180752H-3NMA10-M2
С тормозом, энкодер 23-бит OSM-180752H-3BMA10-M2

Аксессуары

Тормозной резистор RXLG1KW50RJ

РЧ фильтр RFI4C50N16

Ферритовые кольца T68x44x13.5C GH5

Таблица параметров модели OSD-H-4T7D5-E
Характеристика Значение
Силовые характеристики
Напряжение питания, В 380
Номинальная мощность (для двигателей до), кВт 7.5
Номинальный выходной ток, A 25.7
Пиковый выходной ток, A 63.6
Тип управления
Управление по позиции Режим позиционирования по профилю (PP) Режим циклического синхронного позиционирования (CSP) Режим возвращения в исходную точку (Homing Mode)
Управление по скорости Режим управления скоростью по профилю (PV) Режим циклического синхронного управления скоростью (CSV)
Управление по моменту Режим управления моментом по профилю (PT) Режим циклического синхронного управления по моменту (CST)
Входные и выходные сигналы
Дискретные входы 6 дискретных входов (поддерживают оба типа NPN/PNP подключения) DI1~DI6
Дискретные выходы 3 дискретных выходов (поддерживают оба типа NPN/PNP подключения) DO1~DO3
Коммуникационный порт Коммуникационный порт Интерфейс связи Ethernet, протокол EtherCAT (Порт RJ45)
Габариты и масса
Масса нетто 3.3
Габариты, мм 250x230x89

Габаритный чертеж OSD-H-4T7D5-E

Скачать чертеж .pdf
Скачать чертеж .svg
Скачать 3D-Модель.STEP

Схема подключения силовая
Схема подключения сигналов
Общая схема подключения
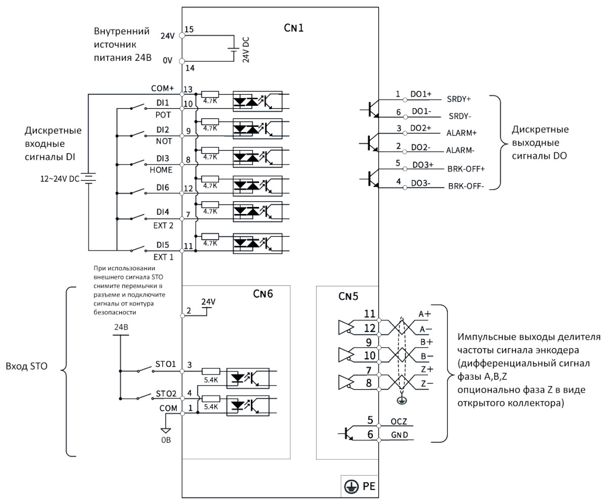
Распиновка разъема CN1 (E)
Функционал Контакт Сигнал Наименование Описание
Общие 15 +24V Внутренний источник питания DC 24 В Внутренний источник питания DC 24 В Напряжение +20 … 28 В. Максимальный выходной ток 200 мА
14 COM-
Дискретные входные и выходные сигналы 13 COM+ Общая клемма DI Общая DI
10 DI1 POT По умолчанию: Запрет движения в положительном направлении
9 DI2 NOT По умолчанию: Запрет движения в отрицательном направлении
8 DI3 Home Switch По умолчанию: Датчик исходной позиции
7 DI4 EXT 2 Функция по умолчанию не назначена
11 DI5 EXT1 Функция по умолчанию не назначена
12 DI6 Дискретный вход -
1 DO1+ SRDY+ По умолчанию: Сигнал готовности сервоусилителя
6 DO1- SRDY-
3 DO2+ INP1+ По умолчанию: Сигнал завершения позиционирования
2 DO2- INP1-
5 DO3+ BRK-OFF+ По умолчанию: Сигнал открытия стояночного тормоза
4 DO3- BRK-OFF-

Связанные продукты

Каталог продукции
Архив продукции